乐发Vll

进口产品国产化替代

卡套接头、球阀、针阀源头工厂

乐发Vll致力于进口产品的国产化替代

乐发Vll卡套接头、球阀、针阀等仪表阀门管件源头工厂

150-508-62702(微信同号)
符合ISO5211标准的气动执行机构

符合ISO5211标准的气动执行机构

齿轮齿条双活塞对称结构设计,动作快速平稳,精度高,输出功率大,

多功能位置指示器,现场可视化指示,符合VID/VIE3845、NAMUR标准槽,能安装并输出所有附件,如限位开关盒、电气定位器、位置传感器,

乐发Vll气源接口符合NRMAR标准,可直接安装NUMAR标准电磁阀,

乐发Vll连接部分符合全新国际标准规范IS05211,DIN3337(FO3-F25)使产品安装具有互换性、通用性。

微信二维码
产品选型与快速询价
拨打:150-508-62702

参数

007.jpg

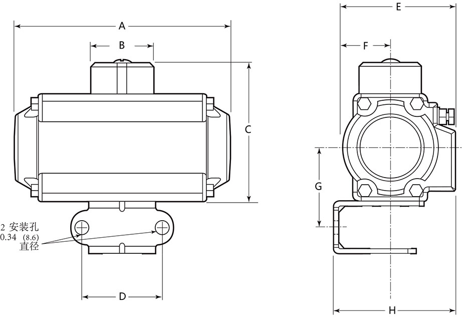
尺寸

尺寸仅供参考,可能会有变动。

尺寸表


90°执行器尺寸

90°执行器尺寸表


180°执行器尺寸

180°执行器尺寸表


单作用式输出扭矩(Nm)

单作用式输出扭矩表


双作用式输出扭矩(Nm)

双作用式输出扭矩表


选型说明

气动执行机构装配阀门选型

气动执行机构装配阀门选型说明


气动执行机构选型

气动执行机构选型说明

500505百万文字论坛综合资料-500308百万文字论坛-780790百万文字论坛红字-798790百万文字论坛下载-500505百万文字论坛雷锋版 佰富彩-welcome 天天中彩票-Welcome首页 佰富彩 - IOS/安卓通用版 乐盈VI E乐彩-首页 佰富彩-安全购彩 98彩票|官方网站